1

Контроль уровня топлива LADA NIVA 4x4

Topic: Контроль уровня топлива LADA NIVA 4x4

Имеется ли у кого-нибудь практика снятия показаний с штатного ДУТ в Автомобиле Лада Нива. Если да, то интересует:

  • Точки подключения
  • Качество выдаваемой информации
  • Эффективность интеграции данного решения.

Контроль уровня топлива LADA NIVA 4x4

2

Контроль уровня топлива LADA NIVA 4x4

Re: Контроль уровня топлива LADA NIVA 4x4

Со штатного датчика получится фигня, пока машина заглушена вроде норм, а вот когда заведена на графике "пилы" рисует.
Подключали с приборки

3

Контроль уровня топлива LADA NIVA 4x4

Re: Контроль уровня топлива LADA NIVA 4x4

dyama2007 wrote:

Со штатного датчика получится фигня, пока машина заглушена вроде норм,

Когда машина заглушена датчик уровня топлива не работает.
(Выдает постоянное значение)

www.guardmagic.com ;
www.tankercontrol.com;

Products for vehicle and fuel monitoring
4

Контроль уровня топлива LADA NIVA 4x4

Re: Контроль уровня топлива LADA NIVA 4x4

GuardMagic wrote:
dyama2007 wrote:

Со штатного датчика получится фигня, пока машина заглушена вроде норм,

Когда машина заглушена датчик уровня топлива не работает.
(Выдает постоянное значение)

Как раз выдает при вкл. зажигании

5

Контроль уровня топлива LADA NIVA 4x4

Re: Контроль уровня топлива LADA NIVA 4x4

Если бензин, то проще NozzleCrocodile зацепить на провод форсунки.

Спрашивайте про контроль топлива и CAN
6

Контроль уровня топлива LADA NIVA 4x4

Re: Контроль уровня топлива LADA NIVA 4x4

dyama2007 wrote:

Когда машина заглушена датчик уровня топлива не работает.
(Выдает постоянное значение)

Как раз выдает при вкл. зажигании

Интересно, а прежде чем написать, вы читаете?

www.guardmagic.com ;
www.tankercontrol.com;

Products for vehicle and fuel monitoring
7

Контроль уровня топлива LADA NIVA 4x4

(edited by cynpeccop 07/12/2015 20:13:43)

Re: Контроль уровня топлива LADA NIVA 4x4

не все могут в штатные ДУТы, вернее могут не только лишь все. Мало кто может это делать.
У меня был ВАЗ 2114, заправки бились литр в литр.

Кураж - монтаж
8

Контроль уровня топлива LADA NIVA 4x4

Re: Контроль уровня топлива LADA NIVA 4x4

Точки подключения - все взять с приборки. У новых Нив есть ДХО! габариты горят в полнакала, а ДХО в полную силу. Я долго объяснял механику, что это не "после ГЛОНАССа фары светят неправильно, к чему вы подключались".

Кураж - монтаж
9

Контроль уровня топлива LADA NIVA 4x4

(edited by MooveR 08/12/2015 12:38:52)

Re: Контроль уровня топлива LADA NIVA 4x4

Какой провод на приборке ? В чём передается сигнал ? Омы, Вольты, Амперы ?


П.С.: для цепей с "кривым" сигналом никто не отменял R\C фильтры и интегрирующие цепочки. Главное знать, что и где копать.

vinkel wrote:

Если бензин, то проще NozzleCrocodile зацепить на провод форсунки.

Это можно и сделать "варварским" путём, вплетаясь в провод форсунки. НО "Я ХОЧУ ВИДЕТЬ ЗАПРАВКИ" - никто не отменил.

10

Контроль уровня топлива LADA NIVA 4x4

Re: Контроль уровня топлива LADA NIVA 4x4

1. Бесплатно....зайти в гугл...нажать на микрофон...сказать ==датчик уровня топлива нива==....там картинки и повылазят.....посмотреть....напрячь извилины....сходить к ниве с тестером и/или посмотреть эл схему....соединить провод с трекером...
2. Платно....написать обьяву, типа кто сможет за денежку  законектить...
....резистивный датчик наверное стоит-со всеми вытекающими обстоятельствами.

.....если кто и подключал....ответили бы сразу....пошуршите по форуму .... УАЗ не нива....но там вроде то же к штатнику подключали, если память не изменяет....

11

Контроль уровня топлива LADA NIVA 4x4

Re: Контроль уровня топлива LADA NIVA 4x4

MooveR wrote:
vinkel wrote:

Если бензин, то проще NozzleCrocodile зацепить на провод форсунки.

Это можно и сделать "варварским" путём, вплетаясь в провод форсунки. НО "Я ХОЧУ ВИДЕТЬ ЗАПРАВКИ" - никто не отменил.

Хороший установщик, как и хороший адвокат, не берется за нерешаемые задачи )
Как бы клиент не хотел, на Ниве заправок толком не добъешься. Нужно переубедить клиента или отказаться от него. Пусть конкуренты возятся.

Из опыта: невменяемые (к доводам специалистов) клиенты капризничают и в других вопросах - сопровождение, гарантия, оплата.

Спрашивайте про контроль топлива и CAN
12

Контроль уровня топлива LADA NIVA 4x4

Re: Контроль уровня топлива LADA NIVA 4x4

розовый провод на приборке
белая  колодка
график так себе - "индикация заправки"

Я на природу выезжал тока один раз, когда за рулем заснул
13

Контроль уровня топлива LADA NIVA 4x4

Re: Контроль уровня топлива LADA NIVA 4x4

Апну тему т.к. поступил заказ на ДУТ для Нивы 2015 года.
кто то в курсе?

14

Контроль уровня топлива LADA NIVA 4x4

(edited by mastergps 23/06/2020 11:24:58)

Re: Контроль уровня топлива LADA NIVA 4x4

Тоже есть такое желание у клиента. Вот решил поделиться все чем могу...
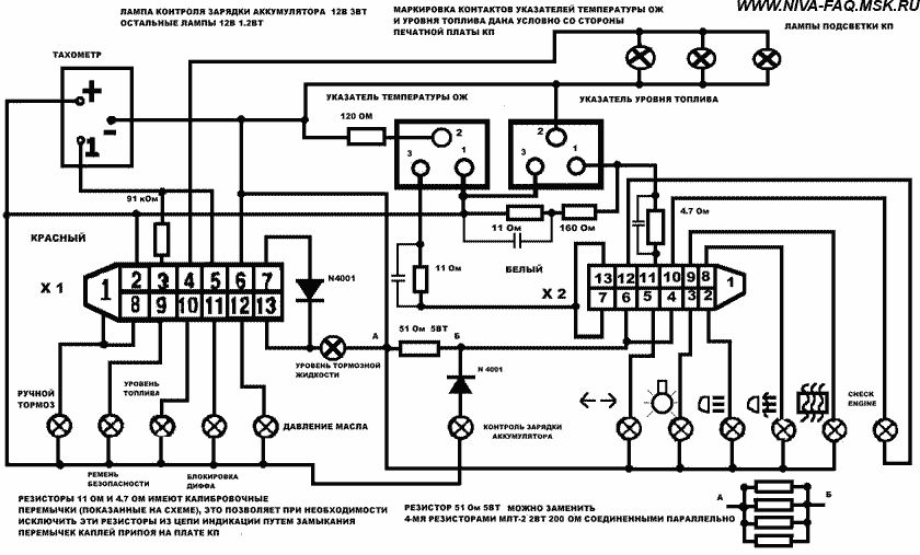
Итак ВАЗ-2121 до 1998г комплектовалась панелью из Венгрии(рис1,3)Топливо с белой фишки нумер 11(красный) с этой распиновкой, до 1996 г(рис4) и венгерская 1996-1998 пин 5 на красной фишке (рис 2)Панель владимирская она же подольская  установка с 1998 года(самая актуальная) пин 4 на красной фишке(рис5 и рис6).   По шНиве добавьте кто нибудь....

ПЫСЫ : Вот что странно, на машине 2007  стоит приборка образца - венгерская 1996 подкл по 11 пин на белой фишке красный провод, так вот отображает все прекрасно, на стоянке . При движении расколбас знатный, амплитуда практически по всему диапазону.
Таблица примерно такая
6400   0
4529  22
100    65
Первое данные с дут, второе литры

  • Контроль уровня топлива LADA NIVA 4x4
  • Контроль уровня топлива LADA NIVA 4x4
  • Контроль уровня топлива LADA NIVA 4x4
  • Контроль уровня топлива LADA NIVA 4x4
  • Контроль уровня топлива LADA NIVA 4x4
  • Контроль уровня топлива LADA NIVA 4x4
PROGLONASS.INFO
Монтаж и обслуживание систем мониторинга транспорта и контроля топлива в Волгограде и прилегающих областях(Астраханской, Воронежской, Ростовской, Саратовской и республике Калмыкии)
+79053980515
15

Контроль уровня топлива LADA NIVA 4x4

Re: Контроль уровня топлива LADA NIVA 4x4

Да, интересует ШевиНива 2019 г.в., есть какая-либо информация по ней?Интересует уровень топлива.

А2 Контроль - Пермь
https://a2control.ru
16

Контроль уровня топлива LADA NIVA 4x4

Re: Контроль уровня топлива LADA NIVA 4x4

Коллеги,у кого нибудь есть тарировка от штатного датчика на НИВУ Легенд новую?хотя если баки одинаковые можно и на любую.

17

Контроль уровня топлива LADA NIVA 4x4

Re: Контроль уровня топлива LADA NIVA 4x4

mastergps wrote:

Таблица примерно такая
6400   0
4529  22
100    65
Первое данные с дут, второе литры

Это что за данные с дут,сопротивление?

18

Контроль уровня топлива LADA NIVA 4x4

Re: Контроль уровня топлива LADA NIVA 4x4

garma wrote:

розовый провод на приборке
белая  колодка
график так себе - "индикация заправки"

Приветствую.нет случаем таблицы тарировки на ниву?

19

Контроль уровня топлива LADA NIVA 4x4

Re: Контроль уровня топлива LADA NIVA 4x4

Сегодня была подключена Нива УРБАН с приборкой ИТЭЛМА - однофишковая, разъем на 32 пина.
Топливо на 27 пине - розовый провод

20

Контроль уровня топлива LADA NIVA 4x4

Re: Контроль уровня топлива LADA NIVA 4x4

belousov.tyumen wrote:

Сегодня была подключена Нива УРБАН с приборкой ИТЭЛМА - однофишковая, разъем на 32 пина.
Топливо на 27 пине - розовый провод

Если я правильно ошибаюсь - там топливо появилось в КАНе