1

Определение работы двигателя

(edited by cynpeccop 20/12/2016 19:53:41)

Topic: Определение работы двигателя

Подключая "зажигание", каждый раз хочу обсудить тему. Некоторые производители приборов требуют подключать зажигание (лампу давления, обороты и т.д.). Понятно, так сложилось исторически, так у них и продолжается. 

Однако, некоторые приборы могут настраиваться по внешнему питанию (запустили мотор, пошла зарядка, напряжение увеличилось). Имеем упрощенную установку и честные данные по моточасам. Вместе со встроенным акселерометром все должно быть совсем хорошо с этим вопросом.

Кто пользуется трекерами "без зажигания". Какая модель оборудования, как этот способ себя зарекомендовал на практике.
Также прошу высказаться всех, у кого есть что сказать по этому поводу.

Вижу несколько примеров, где этот алгоритм не сработает:
1. что-то неисправное или низкооборотистое (генератор не возбудится, хотя молотить будет весь день)
2. Система интеллектуальной зарядки ( АКБ временами не заряжается, если заряжен).

Кураж - монтаж
2

Определение работы двигателя

(edited by SiMaxDnepr 20/12/2016 21:03:07)

Re: Определение работы двигателя

не на всей технике имеется зажигание, в таких случаях как правило смотрят работу двс по напряжению, по поводу генератора, а именно что не возбудился- это мало вероятно т.к. на мало оборотистый двс ставится самовозбуждающийся генератор как правило, но отталкиваться  от напряжения- это самообман, так как поход в радиомагазин и потратить там не много денег, то можно легко и просто собрать схемку которая повысит вольтаж борт сети и будет работать двс замечательно круглыми сутками если нужно, я вот пробовал подключать датчик детонации, но увы мимо, как заключение никто ничего нового не придумал, вот и топчемся на одном месте, одна панацея can и то не факт, к чему вопрос, есть что то новенькое?...  smile

Решение проблем есть, нужно только... +380970308281
3

Определение работы двигателя

(edited by cynpeccop 20/12/2016 21:26:47)

Re: Определение работы двигателя

SiMaxDnepr wrote:

, но отталкиваться  от напряжения- это самообман, так как поход в радиомагазин и потратить там не много денег, то можно легко и просто собрать схемку которая повысит вольтаж борт сети и будет работать двс замечательно круглыми сутками

Можно взломать протокол прибора или сервер и сливать солярку, ага smile Или эмулятор ДУТа сделать, давно пора по трассам по пять тыщ продавать.

Кураж - монтаж
4

Определение работы двигателя

Re: Определение работы двигателя

да не вопрос пожалуйста уже всё готовое, повышающий dc-dc преобразователь для ардурино, взял крону подконектил к акб переменным накрутил себе 14 вольт и будет счастье, одно условие главное всё выключить, стоит от 1,2 доллара, всё двс работает... smile 

cynpeccop wrote:
SiMaxDnepr wrote:

, но отталкиваться  от напряжения- это самообман, так как поход в радиомагазин и потратить там не много денег, то можно легко и просто собрать схемку которая повысит вольтаж борт сети и будет работать двс замечательно круглыми сутками

Можно взломать протокол прибора или сервер и сливать солярку, ага smile
А что это за схема, которая, к примеру, сделает постоянное напряжение на АКБ, при заглушенном как при запущенном двигателе? Мне бы такую, я бы электромобиль сделал, перпетуум причем.

Решение проблем есть, нужно только... +380970308281
5

Определение работы двигателя

(edited by cynpeccop 20/12/2016 21:39:59)

Re: Определение работы двигателя

SiMaxDnepr wrote:

да не вопрос пожалуйста уже всё готовое, повышающий dc-dc преобразователь для ардурино, взял крону подконектил к акб переменным накрутил себе 14 вольт и будет счастье, одно условие главное всё выключить, стоит от 1,2 доллара, всё двс работает..

это все понятно (хотя, зачем "ардурино" тут?), ещё можно провод зажигания трекера переподключить на плюс и будет тот же эффект. Не про это я спрашиваю.

Кураж - монтаж
6

Определение работы двигателя

(edited by SiMaxDnepr 20/12/2016 21:44:43)

Re: Определение работы двигателя

тогда конкретизируйте вопрос... smileкак достоверно узнать работает ли двс в действительности или нет, если бензин то подкидываться на катушку зажигания, если дизель то только can, а если древний дизель то верить генератору или лампочке, всё...

Решение проблем есть, нужно только... +380970308281
7

Определение работы двигателя

Re: Определение работы двигателя

SiMaxDnepr wrote:

тогда конкретизируйте вопрос...

Современному треккеру достаточно два провода (плюс и минус) для обычной (стандартной, типичной и тд) установки. Он будет просыпаться по напряжению, серверная часть будет, исходя из данных по напряжению, учитывать время работы двигателя.
Кто согласен?

Кураж - монтаж
8

Определение работы двигателя

Re: Определение работы двигателя

Минус фактор хитрожопого водителя и т.п.))))
А так полностью согласен)

Безопасность превыше всего
AN-Security Direct
9

Определение работы двигателя

Re: Определение работы двигателя

cynpeccop wrote:
SiMaxDnepr wrote:

тогда конкретизируйте вопрос...

Современному треккеру достаточно два провода (плюс и минус) для обычной (стандартной, типичной и тд) установки. Он будет просыпаться по напряжению, серверная часть будет, исходя из данных по напряжению, учитывать время работы двигателя.
Кто согласен?

я согласен, я вот только одного всё же понять не могу, всё приходит к тому что уже становится в облом один провод прикрутить, на который нужно потратить ну максимум 15-20 минут в самых плохих условиях, ладно это когда мы на маршрутки монтажили, да там реально времени в обрез, молчу уже за сервис... smile

Решение проблем есть, нужно только... +380970308281
10

Определение работы двигателя

Re: Определение работы двигателя

Аndrey wrote:

Минус фактор хитрожопого водителя и т.п.))))
А так полностью согласен)

это как бы каждый второй?... smile

Решение проблем есть, нужно только... +380970308281
11

Определение работы двигателя

Re: Определение работы двигателя

SiMaxDnepr Я думаю оставить этот вопрос на совести конкретного водителя, минус его премия)))

Безопасность превыше всего
AN-Security Direct
12

Определение работы двигателя

Re: Определение работы двигателя

Аndrey wrote:

SiMaxDnepr Я думаю оставить этот вопрос на совести конкретного водителя, минус его премия)))

как говорится наказывают не за то что воруешь, а наказывают за то что спалился... smile

Решение проблем есть, нужно только... +380970308281
13

Определение работы двигателя

Re: Определение работы двигателя

По напряжению - тоже не всегда работает. Не редко встречается подключение зарядного устройства на подзарядку АКБ, не для хитрожопости, а просто так повелось на предприятии. И не понять в этом случае, генератор это генерит, или зарядное устройство. Ставили акустические датчики Автосенсора. Работают хорошо, но надежности не хватает: дохнут со временем. Но определяют четко работу ДВС от любого другого варианта с напряжением или движением.

ООО Инновационная компания "ДилЛайн"
www.dealline.ru
Дмитрий Ларионов
14

Определение работы двигателя

Re: Определение работы двигателя

cynpeccop wrote:

Кто согласен?

Согласен с Вами.
Все минимизируется и вопрос не в том, что трудно 15-20 минут уделить на подключение провода. Большую часть мониторинга это как раз серверная часть, нежели железо.
Минусов хватает конечно - например, когда генератор перемотан дядей Ваней в соседнем гараже и в работе выдает всего 12,1В  - тогда не уследить. Также ремонт авто в части замены того же генератора - ведь оператора не уведомляют что менялось в авто, а потом звонят и спрашивают почему машина с выключенным двигателем катается.

15

Определение работы двигателя

Re: Определение работы двигателя

SiMaxDnepr wrote:

я согласен, я вот только одного всё же понять не могу, всё приходит к тому что уже становится в облом один провод прикрутить

Без зажигания мест установки трекера гораздо больше. К примеру, экскаватор - дут, рядом АКБ, тут же трекер в герметичном боксе.

Кураж - монтаж
16

Определение работы двигателя

Re: Определение работы двигателя

cynpeccop wrote:

генератор перемотан дядей Ваней в соседнем гараже и в работе выдает всего 12,1В

машина перестанет заводится на следующий день при такой зарядке.

SibNaviCom wrote:

Также ремонт авто в части замены того же генератора

кардинально ничего не изменится. Напряжение покоя - 12,7В, зарядка больше 13В.

Кураж - монтаж
17

Определение работы двигателя

(edited by cynpeccop 21/12/2016 14:20:32)

Re: Определение работы двигателя

У меня телефон знает, когда я сажусь в машину. Чем отличается современный трекер от моего телефона? Тот же акселерометр, гироскоп, GPS. Так еще питание АКБ. На мой взгляд, всего хватает.

Кураж - монтаж
18

Определение работы двигателя

(edited by vad_98 30/12/2016 23:12:25)

Re: Определение работы двигателя

Моточас и время работы двигателя это разные величины ?

Все ясно !....что не ясно.....
19

Определение работы двигателя

(edited by vad_98 31/12/2016 20:57:29)

Re: Определение работы двигателя

cynpeccop wrote:

Без зажигания мест установки трекера гораздо больше.

Ха ха, еще скажите что установку будете делать дешевле без зажиги ))

п.с. зажигалово это не то, надо сигнал работающего двигателя.....а не батарейка последовательно питанию прибора )))

Все ясно !....что не ясно.....
20

Определение работы двигателя

(edited by GuardMagic 31/12/2016 05:55:07)

Re: Определение работы двигателя

vad_98 wrote:

Моточас и время работы двигателя это разные величины ?

По правильному - это разные величины.

Но, в большинстве случаев на стандартном транспорте - это одинаковые величины.

Характерный пример, (где разные вещи) - трелевщик леса (Трелёвочный трактор).

там, где эти величины не совпадают, обязательно стоит счетчик моточасов.
И все регламентные работы проводятся по счетчику моточасов.

www.guardmagic.com ;
www.tankercontrol.com;

Products for vehicle and fuel monitoring
21

Определение работы двигателя

Re: Определение работы двигателя

GuardMagic какова формула расчета моточасов ?

Все ясно !....что не ясно.....
22

Определение работы двигателя

Re: Определение работы двигателя

vad_98 wrote:

GuardMagic какова формула расчета моточасов ?

У техники, где идет подсчет моточасов:  - каждый производитель своей техники пишет принцип формирования моточасов для своей техники.

www.guardmagic.com ;
www.tankercontrol.com;

Products for vehicle and fuel monitoring
23

Определение работы двигателя

(edited by SiMaxDnepr 04/01/2017 21:08:05)

Re: Определение работы двигателя

моточасы на прямую привязаны к оборотам двс, и если рассматривать производителей снг(шной) техники, то очень часто можно увидеть механический счётчик моточасов на ранних версиях находится как правило на тнвд, но прошло время и до многих мало мальски докатился прогресс и на (типа современной) технике всё тех же производителей стоит электронный счётчик, а работает он всё так же от оборотов, просто они в генераторе распаяли диодный мост и вывели папу (W) и с него считают, иностранный производитель считает или от датчика распредвала или коленвала кажется, как то так... smile

Решение проблем есть, нужно только... +380970308281
24

Определение работы двигателя

Re: Определение работы двигателя

SiMaxDnepr wrote:

моточасы на прямую привязаны к оборотам двс,

да, где то так

www.guardmagic.com ;
www.tankercontrol.com;

Products for vehicle and fuel monitoring
25

Определение работы двигателя

Re: Определение работы двигателя

GuardMagic wrote:
SiMaxDnepr wrote:

моточасы на прямую привязаны к оборотам двс,

да, где то так

всегда рад помочь, технически, схематически, и просто в разных ситуациях, сбросьте вайбер или скайп может и пригодимся... smile

Решение проблем есть, нужно только... +380970308281
26

Определение работы двигателя

Re: Определение работы двигателя

подскажите, хочу определить подключение на даф евро 2 переходная, тахометра. кто подкчлюал?

l-trans.net  Кременчуг GPS наблюдение
27

Определение работы двигателя

Re: Определение работы двигателя

rvgu wrote:

подскажите, хочу определить подключение на даф евро 2 переходная, тахометра. кто подкчлюал?

желтый разъем входа в кабину, синий провод 3503. Если не подойдёт - ищите там-же, должен быть.

Кураж - монтаж
28

Определение работы двигателя

Re: Определение работы двигателя

на коленке проверить- если будет моргать пробник ?  или как определить нужный. осцилограф стационарный= подключить нужно у заказчика.

l-trans.net  Кременчуг GPS наблюдение
29

Определение работы двигателя

Re: Определение работы двигателя

такой

  • Определение работы двигателя
l-trans.net  Кременчуг GPS наблюдение
30

Определение работы двигателя

Re: Определение работы двигателя

rvgu wrote:

на коленке проверить- если будет моргать пробник ?  или как определить нужный. осцилограф стационарный= подключить нужно у заказчика.

Прошу прощения, думал вопрос про штатный ДУТ (перепутал ветки). Нужны обороты? Если от генератора провод идёт (а DAF - это европейский "Камаз", всё просто по электрике должно быть), то в этом же заходе можно протыкать все провода на предмет W сигнала (удобно делать контролькой с двумя светодиодами - гореть будут одновременно).

Кураж - монтаж
31

Определение работы двигателя

Re: Определение работы двигателя

забил- подключил через вход зажигание - на реле, срабатывающее только при заведенном двиге.

l-trans.net  Кременчуг GPS наблюдение
32

Определение работы двигателя

Re: Определение работы двигателя

cynpeccop wrote:
rvgu wrote:

на коленке проверить- если будет моргать пробник ?  или как определить нужный. осцилограф стационарный= подключить нужно у заказчика.

Прошу прощения, думал вопрос про штатный ДУТ (перепутал ветки). Нужны обороты? Если от генератора провод идёт (а DAF - это европейский "Камаз", всё просто по электрике должно быть), то в этом же заходе можно протыкать все провода на предмет W сигнала (удобно делать контролькой с двумя светодиодами - гореть будут одновременно).

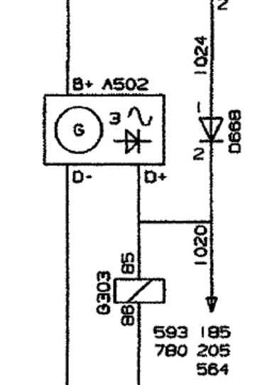
Судя по схеме, у генератора дафа нет выхода клемы W

  • Определение работы двигателя
Все ясно !....что не ясно.....